-
-
-
Tổng tiền thanh toán:
-

Công tắc hẹn giờ điện tử Kawasan PTS15C là giải pháp cho các ứng dụng tự động reo chuông trường học , nhà máy, hẹn giờ tưới hoa kiểng nhà vườn, các hộ trồng hoa, cây cảnh,… vì có thể cài đặt hệ thống hẹn giờ cho các thiết bị tưới tiêu, chiếu sáng,…
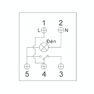
HƯỚNG DẪN SỬ DỤNG


Giao hàng toàn quốc
Bảo mật thanh toán
Bảo hành chính hãng
Tư vẫn miễn phí
Thiết Bị Điện & Camera-Thúy Nhi